Radio Blackout, GM DTC U0028

This post outlines a recent encounter I had diagnosing a faulty radio control unit and HMICM in a 2017 GMC Sierra. The fix was not obvious and took some real diagnostic skill to find the root of the issue.

Background

Vehicle: 2017 GMC Sierra 1500 with the 5.3L V8 engine

Reason for repair: The customer left his truck parked for about a week while out of town. When he came back, the vehicle’s battery was dead and had to be jump-started. The customer also noted a strange burnt smell in the interior prior to jump-starting. Once the vehicle was running, the radio was completely unresponsive.

Diagnosis and Process

Once I received the vehicle, I began by pulling all DTC’s (diagnostic trouble codes). In the radio module, there were a handful of “lost communication” codes, which I was not surprised to see since the battery recently died. Lost communication codes always pop up when system voltage dips below a certain point, since all modules will begin to shut down and “lose communication” with other modules. There was one code that stood out, though, and that code was U0028: MOST Bus communication error.

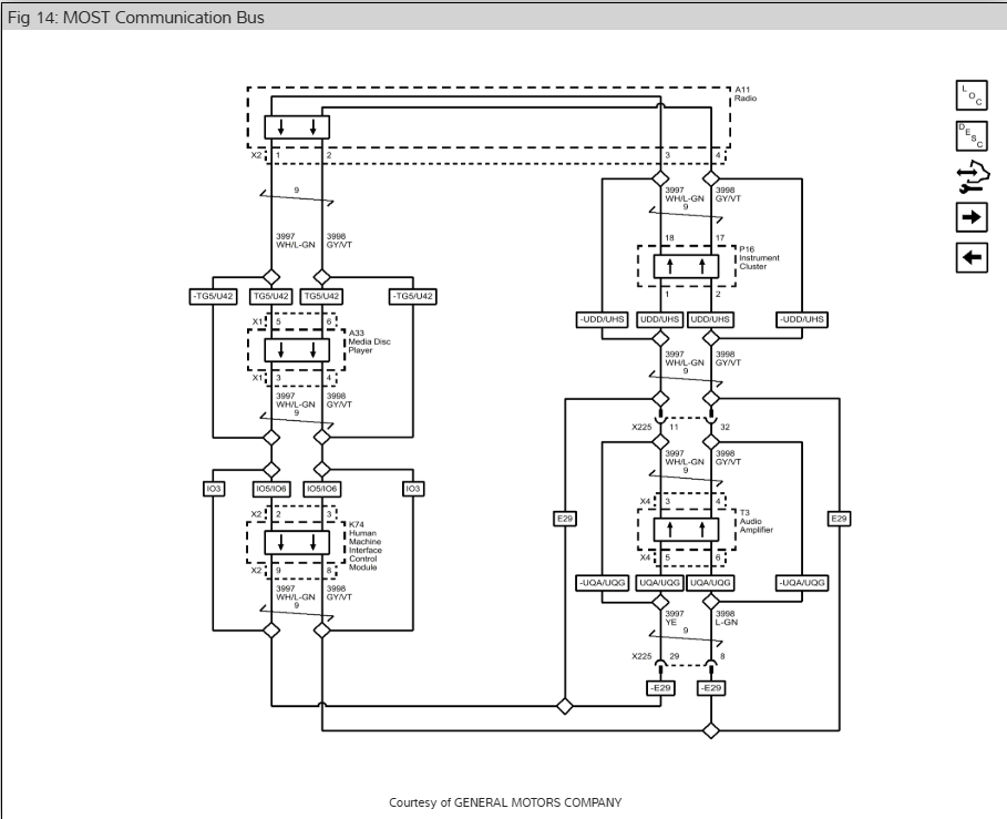
DTC description for U0028. Also defines the MOST system.

So, what is the MOST Bus? The full system description is in the image above, but to summarize, it is essentially a local communication bus that consists of 5 entertainment-based modules. The radio control module is the gateway unit for this bus, meaning that it is the master data interpreter for the system. The modules that directly respond to the radio control module are the audio amplifier, the media disk player, the HMICM (Human Machine Interface Control Module), and the instrument cluster.

While I was scanning the vehicle, I tried to enter the other control modules in the MOST Bus to read codes from them, just to see if they aligned with the RCM. Unfortunately, I could not communicate with any of the MOST devices, which confirmed a major fault within the system.

MOST bus layout.

Since most, if not all, of the other codes in the radio control module (RCM) were more general and dealt with other systems that are not currently having issues, I dove right into the diagnostic process for code U0028. I began by checking all of the fuse panels for blown fuses and did not find any. I was then given a tip by the customer that his roof antenna had recently been re-sealed and he was 90% sure it was leaking water before being re-sealed. So, I partially disassembled the interior trim and dropped the headliner to inspect the wiring around the antenna.

Unfortunately, I found no evidence of water leakage or corrosion. It appeared that the inner antenna seal was still intact and had not allowed water to leak past. Oh well, on to the next step.

I then dove into the OEM testing procedure for code U0028. The first step was to gain access to the RCM, so I removed the radio trim and radio display and identified the proper connectors to begin testing. The next step was breaking out my TopDon Oscilloscope, which I was super excited for, since I had not yet used this scope. According to the testing procedure, I had to find the MOST Bus Control wire and then back-probe it with my oscilloscope to get the readings needed to diagnose the issue.

The MOST Bus control wire (labeled ECL in wiring diagrams) carries data that “wakes” the modules in the system. As you can imagine, this is a pretty important data line and it serves as the starting point in diagnosing a MOST Bus issue.

The testing procedure then prompted me to back-probe the control wire with the positive oscilloscope wire and connect the ground wire of the oscilloscope to a proper ground. At this point, all modules in the MOST Bus were connected, so I was able to see the fault in real time.

This is what my oscilloscope showed once connected to the system.

OEM specs note that a voltage range of 9-13 volts is normal and indicates no system fault. It also specified that while a communication issue was present on the bus, the RCM will send a “message” like the one above, dropping to zero periodically for short intervals.

With my oscilloscope still connected, the diagnostic procedure prompts unplugging the MOST Bus master (the RCM) and re-testing the signal on the ECL wire. In doing so, I observed that the ECL voltage stayed at a constant 12.4 volts with no drop.

This test should result in one of two outcomes: the dropping signal remains the same OR, as in our case, the voltage returns to normal (9-13 volts). The procedure indicates that the latter means that “the most recently disconnected MOST device from the MOST Bus resulting in normal system voltage is the module at fault”. If the signal had remained the same, the procedure continues on and requires disconnecting each MOST device from the system until the signal returns to normal. Since disconnecting the radio control module resulted in proper voltage, this indicates that the module is the fault.

I was skeptical with this outcome. I mean, it seems like the signal would go away, since the RCM sends such a signal to indicate a fault, and disconnecting it interrupts the signal. So, I carried on with testing the rest of the communication bus by disconnecting other modules to see if the results changed.

I found nothing to argue against my initial diagnosis, so this cleared my skepticism and I confirmed that the RCM was faulty.

The equation certainly makes sense: MOST Bus communication fault code + no communication with MOST devices + signal returning to normal after disconnecting RCM + other findings = Faulty RCM, AKA the communication gateway to the MOST Bus

But Wait, There’s More…

I installed a brand new OEM RCM and programmed it to factory specs. I was super excited to turn the key on and see a bright infotainment screen, but I was let down. I turned the key on and nothing was different. The radio was still dead. Shoot.

With this disheartening situation, I jumped back into diagnosis to see what went wrong. I re-attached my oscilloscope to the RCM and found that the waveform was totally different. I don’t have pictures unfortunately, but the waveform was now sending two “blips” when the key is first turned on to wake the system up. With the previous RCM, I was not seeing that wake up call, so this is actually a good sign.

I scanned the vehicle with my scan tool and found that I now had access to all of the MOST Bus modules EXCEPT the HMICM. Smoking gun.

Now that the gateway is fixed, I can see the bigger issue that likely took the RCM to the grave: The HMICM.

I jumped straight over to the HMICM and took oscilloscope readings of the MOST Bus control and the MOST Bus communication lines. I found about the same readings that were at the RCM, so that threw me for a loop for a minute. Then, I decided to take readings of the MOST Bus control wire with the connector connected AND with it disconnected. What I found was a dead giveaway.

With the connector plugged in, my maximum voltage was around 13.4 volts. With it disconnected, the voltage fell to 12.4 volts. Bingo.

This clearly indicates a short within the module and is very abnormal. To add insult to injury, I also noticed upon removing the module that it was really warm and the cooling fan that is built in was not turning on. Yep, the HMICM is done for.

End Result

I got my hands on a refurbished HMICM (brand new wasn’t an option) and installed the unit. I followed all of the programming steps, which executed flawlessly. Once that was done, I turned the key on and BAM!! The beautiful infotainment screen came to life. I verified that the system was completely functional and then wrapped the job up. The customer was stoked to have full functionality once again.

Moral of the Story/TL;DR

The radio lost all function and threw code U0028: MOST Bus error, among other “lost communication” codes.

The RCM (radio control module) is the master/gateway for the MOST Bus.

I could only communicate with the RCM, none of the other MOST devices.

Upon following the OEM procedure with my oscilloscope, I determined that the initial communication fault was being caused by the RCM.

I triple checked my findings and reached the same conclusion each time.

I installed a new OEM RCM, only to find the vehicle in a similar situation.

I dove back into testing and found that I could communicate with all MOST devices except for the HMICM.

I obtained oscilloscope readings from the HMICM and found a short to voltage within the module.

I also noticed that the module was very warm and the cooling fan was not operating, further indicating a fault.

I replaced the HMICM and programmed the new unit.

After programming, all functionality returned.

Happy customer, a great learning experience, and one less problem on the road.

Next
Next

Why this 2018 Jeep Overheated After Replacing the Radiator